Estroboscopio con lámpara xenón


          Un estroboscopio es un dispositivo que emite destellos de luz de muy corta duración y regulables en su frecuencia. Sincronizando la cadencia de disparo con el giro de un motor o cualquier proceso vibratorio permite observar el objeto como si estuviese detenido o con movimiento muy lento lo que permite analizarlo sin necesidad de pararlo. En fotografía se pueden hacer tomas del movimiento de un objeto en el mismo frame. Que si, también en discotecas.

          La lámpara de xenón es ideal para este cometido ya que su encendido se hace descargando un condensador, logrando el máximo brillo instantaneamente  y más importante, solo durante pocos milisegundos lo que permite ver o fotografiar los objetos sin borrosidad. Como un flash de fotografía.

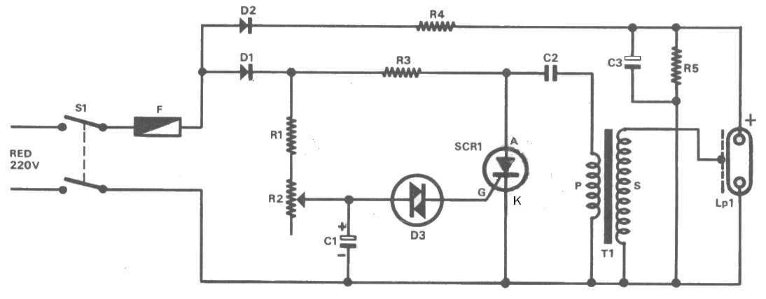
          El circuito es muy simple, aunque algunos componentes no son habituales.
R1 = 1 MegaO 1/3 W
R2 = Potenciometro lineal de 500 MO
R3, R5 = 100000O 1/3 W
R4 = 470O 10 Watios
C1 = 1,5 µF/ 350v electrolítico
C2 = 100000 pF / 400v
C3 = 33µF / 400v
D1, D2 = diodos 1N4007
D3 = DIAC BR100 o DB3
SCR1 = Tiristor C106
T1 = Trigger Coil Transformer Flashtube
F = Fusible 0,1A
LP1 = Lampara descarga de gas Xenòn estroboscopica
         Lampara Lp1Los cables extremos tienen polaridad. El positivo suele ir marcado con un punto rojo. El trafo es el que eleva el voltaje a unos 600v para el disparo de Lp1.
         D3 es un DIAC, son dos diodos enfrentados por lo que dejan pasar la corriente alterna. Tiene un punto de conducción de unos 30v y junto con R1-R2 y C1 regula el momento de conducción del tiristor SCR1 que descarga C2 a través del primario de T1 y por tanto, induce los 600v en el secundario que activa LP1, que se enciende con la energía acumulada en C3. El valor de C3 no es crítico, ha funcionado hasta con condensadores de 8µF sin polaridad que se usan en el arranque de motores de lavadoras.

          ¡¡¡ATENCIÓN!!! Aquí se usan voltajes potencialmente mortales. Debe manipularse siempre desenchufado de la red eléctrica y finalmente montarlo totalmente aislado en caja de plástico. ¡¡CUIDADO!! con C3, aún desenchufando el circuito, almacena carga muy desagradable si lo tocamos. Para eso R5 lo descarga lentamente. Mejor cortocicuitar sus teminales con un destornillador antes de manipularlo.

  
          He usado una lampara estándar para este montaje, pero también he probado con una rescatada de un flash viejo y otra que es repuesto de flash que se venden bastante baratas en Aliexpress, aunque son muy pequeñas. Usar un flash viejo propio o de un mercadillo tiene la ventaja de que llevan el trafo triger que suele ser más difícil de localizar. Marcado en amarillo la lampara, en rojo el triger y un enorme condensador de nada menos que 330µF que usado en nuestro estroboscopio creo que fundiría la lampara al usarse a 10 o más ciclos por segundo.
          Veamos el montaje del circuito.

          La caja es de los chinos del barrio. Sobre el circuito puse un plástico de policarbonato cubierto de papel de aluminio y todo cubierto con otra tapa.
          La primera imagen es una pluma cayendo. Las otras son pelotas de ping pong rebotando en la mesa.Han salido un poquito movidas, posiblemente por usar un condensador (C3) de demasiada capacidad que alarga el tiempo de disparo de la lampara. Mejor usar un C3 de unos 10µF / 400v.
Lado componentes
Lado pistas


Menu